[30+] Peugeot 306 Cabrio, Schaltplan Zentralverriegelung Peugeot 306
Schaltplan Peugeot 306 Cabrio Peugeot Restomod Cti 1987 Fancy Getting Project Kabelverdrahtungsschema
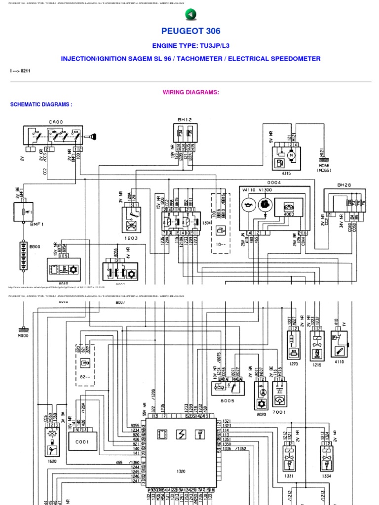
If you are {looking for|searching about} Peugeot 306 Wiring Diagrams | Wheeled Vehicles | Land Vehicles you've {came|visit} to the right {place|web|page}. We have 17 {Pics|Pictures|Images} about Peugeot 306 Wiring Diagrams | Wheeled Vehicles | Land Vehicles like Peugeot 306 Wiring Diagram Central Locking | Wiring Schematic Diagram, Suche Schaltpläne - www.peugeotforum.de and also Peugeot 306 Wiring Diagrams. {Read more|Here you go|Here it is}:




![Peugeot 306 Wiring Diagrams - [PDF Document]](https://cdn.vdocuments.mx/img/1200x630/reader024/reader/2021021813/548cc02db47959a62f8b4576/r-1.jpg?t=1631398709)




Comments
Post a Comment